GM Service Manual Online
For 1990-2009 cars only
Makes
🢒
Chevrolet
🢒
1999
🢒
Blazer - 4WD - RHD
🢒
HVAC
🢒
HVAC Systems - Automatic
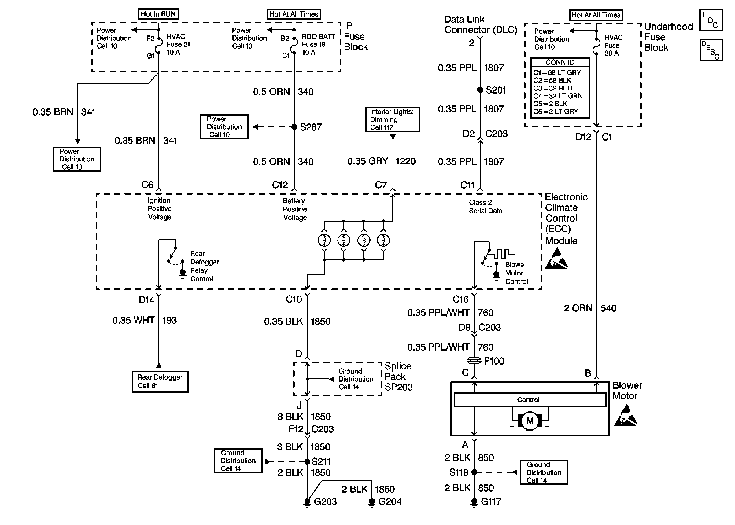
🢒 HVAC Blower Control Schematics
Cell 66