GM Service Manual Online
For 1990-2009 cars only
Makes
🢒
Chevrolet
🢒
1999
🢒
Chevy Suburban 4WD - RHD
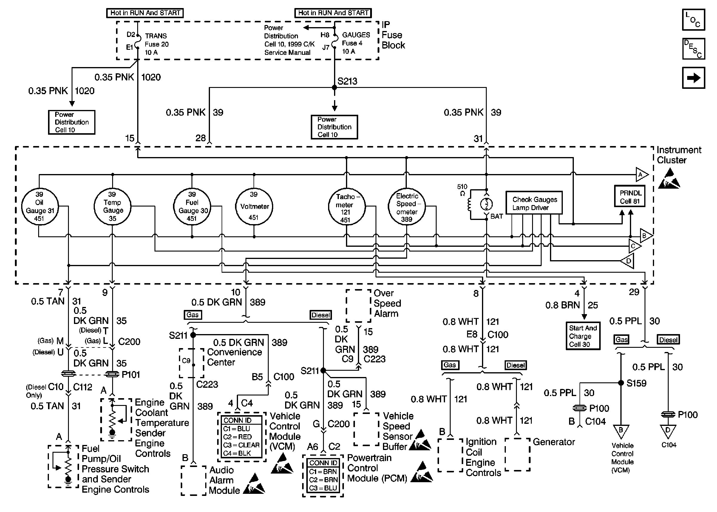
🢒 Cell 81: Gauges
Cell 81: Gauges
Cell 81: Gauges
Cell 10: TRANS & GAUGES Fuses
Cell 10: TRANS & GAUGES Fuses
Cell 10: TRANS & GAUGES Fuses
Instrument Cluster Components
Instrument Cluster Circuit Description
Cell 81: Indicator Lamps
Handling ESD Sensitive Parts Notice
Cell 81: Indicator Lamps
Cell 81: Electronic PRNDL
Cell 81: Indicator Lamps
Engine Electrical Schematics (Cell 30: Generator) 99C/K RHD
Cell 81: Fuel Gauge Sender (Gas & Diesel)
Handling ESD Sensitive Parts Notice
Powertrain Control Module Connector End Views
VCM Connector End Views
Handling ESD Sensitive Parts Notice
Handling ESD Sensitive Parts Notice