GM Service Manual Online
For 1990-2009 cars only

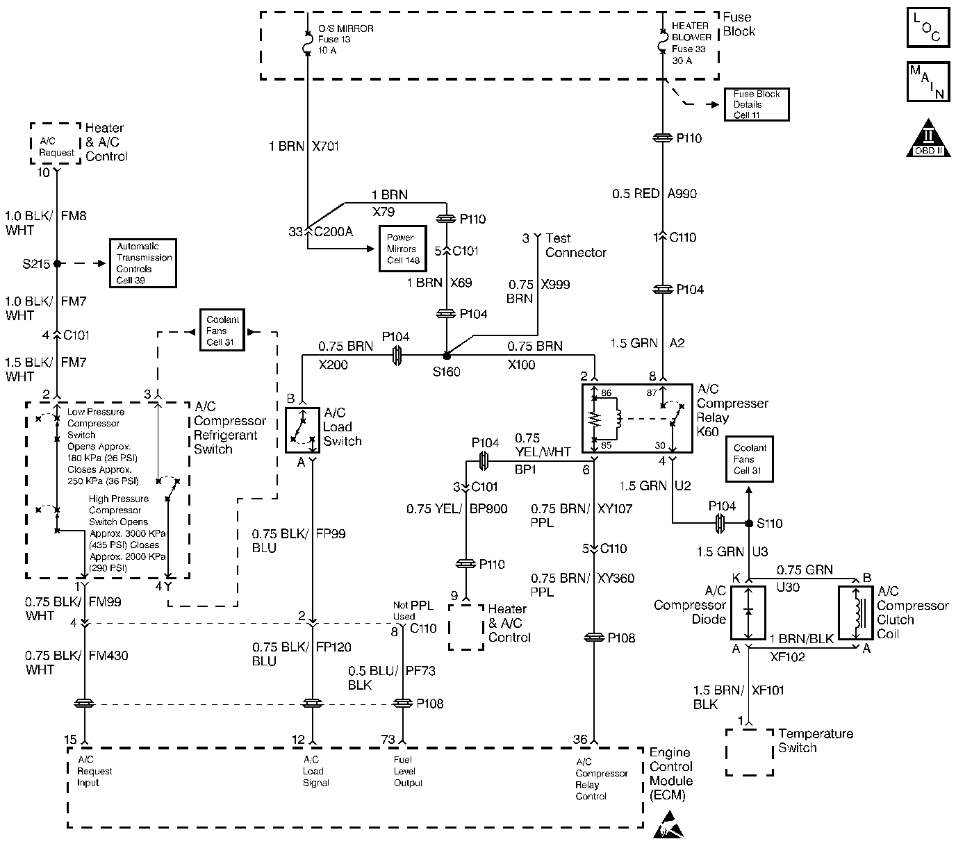
Object Number: 70488  Size: LF
Automatic Transmission Components
Engine Controls Schematics
OBD II Symbol Description Notice
Handling ESD Sensitive Parts Notice

Circuit Description

A/C Request Circuit -- When the HVAC controls are in any position that enables the A/C compressor, and the A/C compressor refrigerant switch is closed (low and high), the A/C Request circuit is connected to B+. The ECM energizes the A/C compressor control circuit when a high signal voltage is detected on the A/C Request circuit. The ECM will de-energize the A/C compressor control circuit during the WOT maneuvers, when the ECT exceeds a predetermined threshold or when the A/C Request circuit signal voltage goes low (either by a pressure switch opening, or the HVAC system is in a non-A/C mode).

A/C Load Signal -- The ECM also receives input on the A/C load signal circuit. This is accomplished through a pressure switch connected to B+ which is normally open. During high ambient temperature conditions or any other conditions which would cause very high refrigerant pressures, the switch closes, sending a B+ signal to the ECM. The ECM will then raise the idle speed by approximately 50 RPM in order to help compensate for these conditions.

A/C Compressor Control Circuit -- The ignition voltage is supplied directly to the A/C Compressor Control relay coil. The ECM controls the relay by grounding the control circuit via an internal switch called a driver. The primary function of the driver is to supply the ground for the component being controlled. When the ECM is commanding a component on, the voltage of the control circuit should be low (near 0 volts). When the ECM is commanding the control circuit to a component off, the voltage potential of the circuit should be high (near the battery voltage).

The relay controls the high current flow to the A/C Compressor Clutch. This allows the ECM driver to only have to handle the relatively low current used by the relay.

Diagnostic Aids

An intermittent may be caused by the following:

    • Corrosion
    • A mis-routed harness
    • A rubbed through wire insulation
    • A broken wire inside the insulation

Refer to Symptoms for Intermittents.

Test Description

The number(s) below refer to the step number(s) on the diagnostic table.

  1. The scan tool should indicate Yes with the HVAC controls in any position that turns on the A/C compressor.

A/C Request Circuit Diagnosis

Step

Action

Value(s)

Yes

No

1

Did you perform the Powertrain On-Board Diagnostic (OBD) System Check?

--

Go to Step 2

Go to Powertrain On Board Diagnostic (OBD) System Check

2

  1. Start the engine.
  2. Turn the A/C on and off while observing the A/C Request on the scan tool.

Does the scan tool parameter toggle between Yes and No?

--

No trouble Found. Refer to Diagnostic Aids.

Go to Step 3

3

Does the scan tool always indicate Yes?

--

Go to Step 4

Go to Step 5

4

Disconnect the A/C Compressor Refrigerant switch.

Does the scan tool display change to No with the switch disconnected?

--

Go to Section 1, Heater, Ventilation and Air Conditioning (HVAC)

Go to Step 6

5

  1. Turn on the ignition with the engine off.
  2. Disconnect the A/C Compressor Refrigerant switch.
  3. Probe terminal 1 (the A/C request circuit to the ECM) with a fused jumper connected to B+.

Does the scan tool parameter change to Yes when the circuit is jumpered to B+?

--

Go to Section 1, Heater, Ventilation and Air Conditioning (HVAC)

Go to Step 6

6

  1. Turn off the ignition.
  2. Disconnect the ECM.
  3. Turn on the ignition with the engine off.
  4. Check the A/C Request circuit between the ECM and the A/C Compressor Refrigerant switch for the following conditions and repair as necessary:
  5. • The Open Circuit
    • The short to ground
    • The short to power

Was a problem found and corrected?

--

Go to Step 9

Go to Step 7

7

Check for a poor connections or poor terminal tension at the ECM harness connector. Refer to Electrical Diagnosis in Engine Electrical, and Trouble Shooting Procedures for the proper procedure. Also, refer to Checking Terminal Contact in Engine Control Module Diagnosis .

Was a problem found and corrected?

--

Go to Step 9

Go to Step 8

8

Important: This vehicle is equipped with a Theft Deterrent System which interfaces with the Engine Control Module (ECM). Reprogram the new ECM with the frequency code of the theft deterrent module currently on the vehicle.

Replace the ECM. Refer to Engine Control Module Replacement/Programming .

Is the action complete?

--

Go to Step 9

--

9

  1. Start the engine.
  2. Turn the A/C on and off while observing A/C Request on the scan tool.

Does the scan tool parameter toggle between Yes and No?

--

The System is OK

Go to Step 2