GM Service Manual Online
For 1990-2009 cars only
Makes
🢒
Isuzu
🢒
2001
🢒
Isuzu T-Series (Truck Line C)
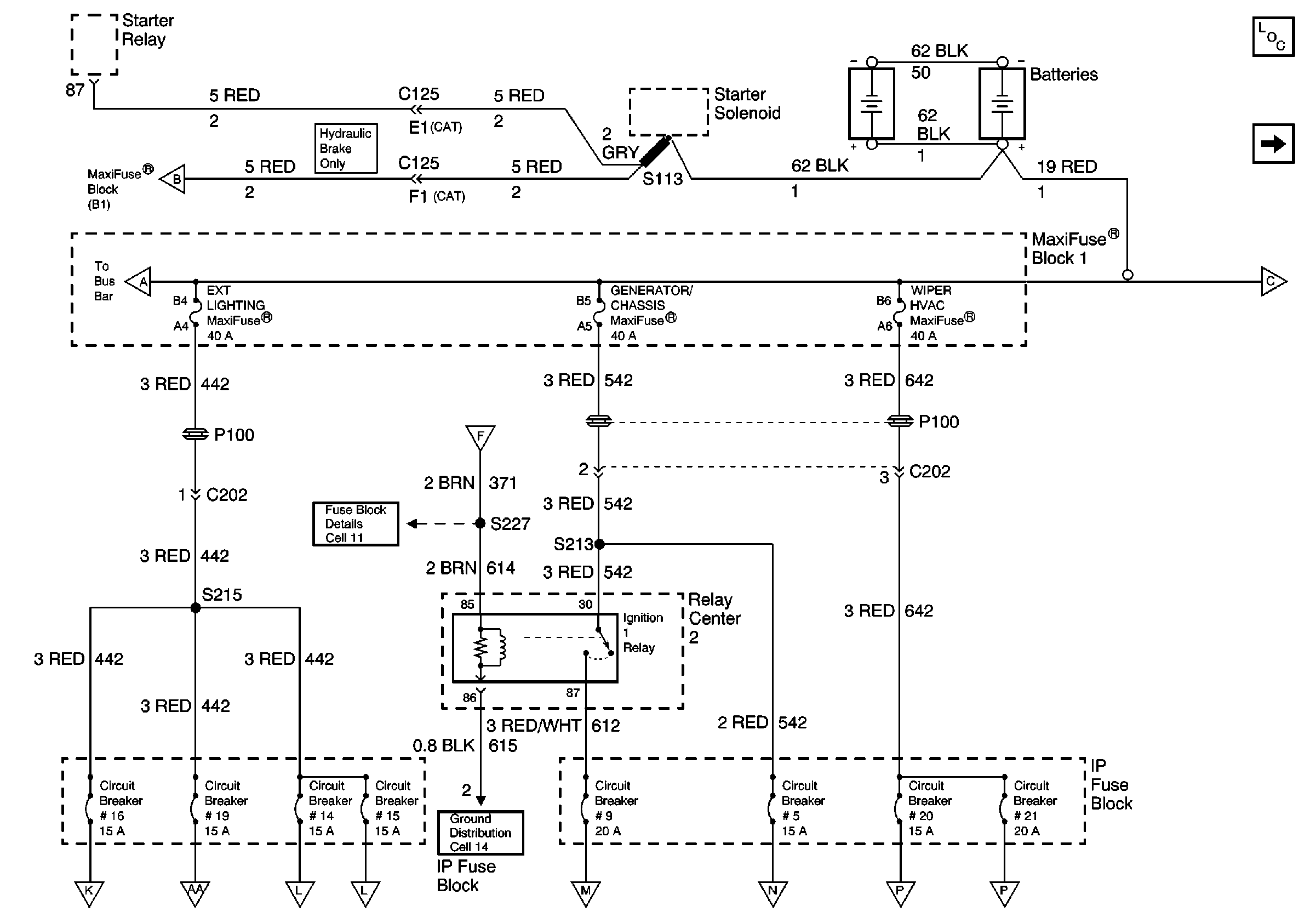
🢒 Fuse Block 1, EXT LIGHTING, GENERATOR/CHASSIS, WIPER/HVAC Fuses
Fuse Block 1, EXT LIGHTING, GENERATOR/CHASSIS, WIPER/HVAC Fuses
Fuse Block 1, EXT LIGHTING, GENERATOR/CHASSIS, WIPER/HVAC Fuses
Power and Grounding Components
Fuse Block 1, BRK BOOST MTR, COMPUTER/PRK BRK/ENG CONTROL, AUX Fuses
Fuse Block 1, BRK BOOST MTR, COMPUTER/PRK BRK/ENG CONTROL, AUX Fuses
Fuse Block 1, BRK BOOST MTR, COMPUTER/PRK BRK/ENG CONTROL, AUX Fuses
Fuse Block 2, 2 SPEED AXLE, HVAC, TURN SIG Fuses
Fuse Block 2, IGNITION, HYD ABS, AIR ABS, PARK BRK MTR, AIR ABS TRAILER Fuses
Circuit Breaker 16, 18, 19
Circuit Breaker 16, 18, 19
Cell 10: Power Distribution - Circuit Breaker 11, 12, 13, 14,15
Cell 10: Power Distribution - Circuit Breaker 11, 12, 13, 14,15
Circuit Breaker 9
Circuit Breakers 1, 2, 5
Cell 10: Power Distribution - Circuit Breaker 20, 21, 22, 23
Cell 10: Power Distribution - Circuit Breaker 20, 21, 22, 23