GM Service Manual Online
For 1990-2009 cars only
Makes
🢒
Saturn
🢒
2008
🢒
AURA
🢒
Diagnostic Navigation
🢒
Vehicle Diagnostic Information
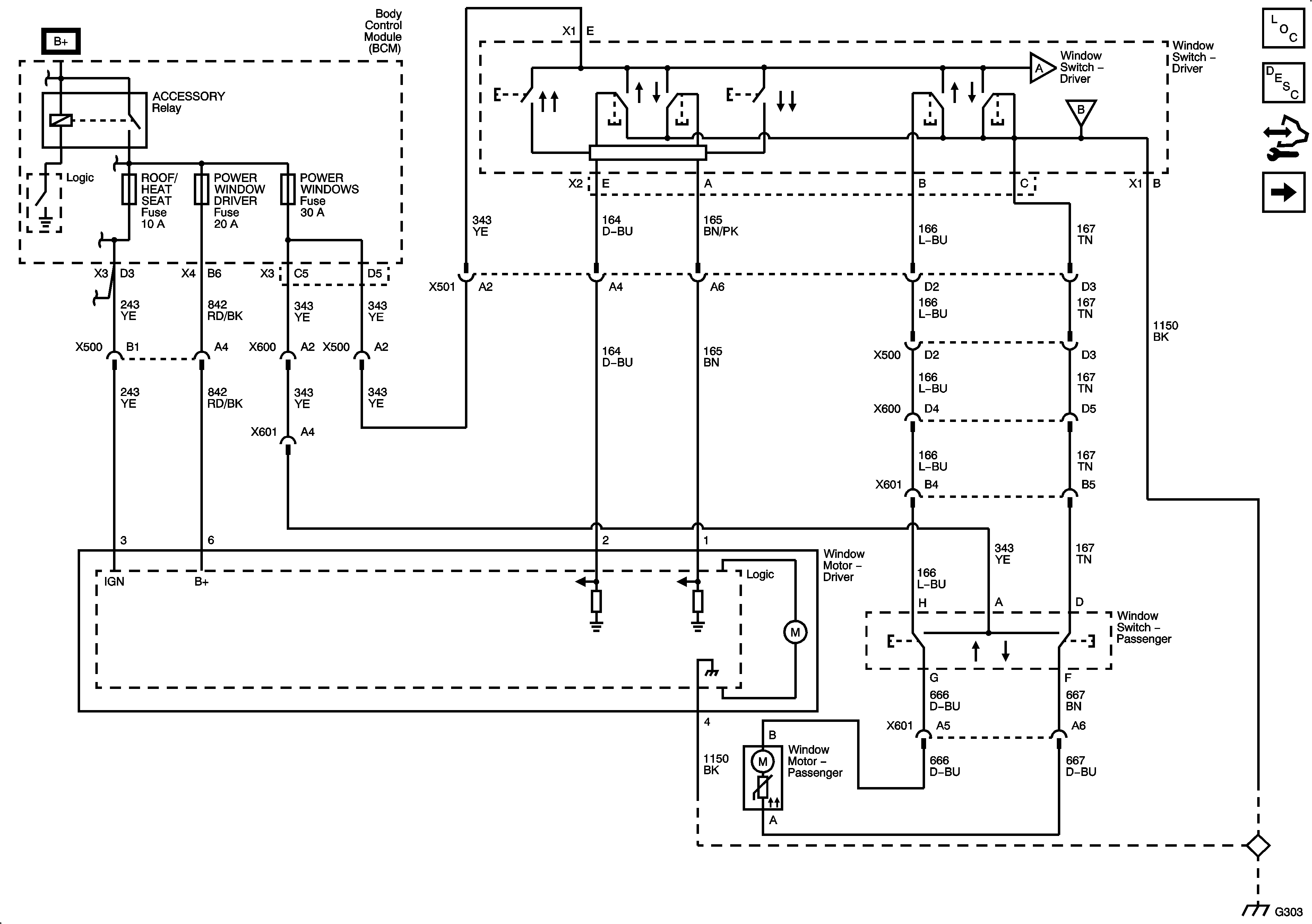
🢒 Moveable Window Schematics
Figure
1:
Power and Ground Front Windows
Master Electrical Component List
Power Windows Description and Operation
Control Module References
Rear Windows
Figure
2:
Rear Windows
Master Electrical Component List
Power Windows Description and Operation
Control Module References
Power and Ground Front Windows