GM Service Manual Online
For 1990-2009 cars only
Figure 1:

Displays


Object Number: 1898608  Size: FS
Master Electrical Component List
Interior Lighting Systems Description and Operation
Control Module References
Center Console and Seats
Figure 2:

Switches


Object Number: 1898610  Size: FS
Master Electrical Component List
Interior Lighting Systems Description and Operation
Control Module References
Center Console and Seats
Displays
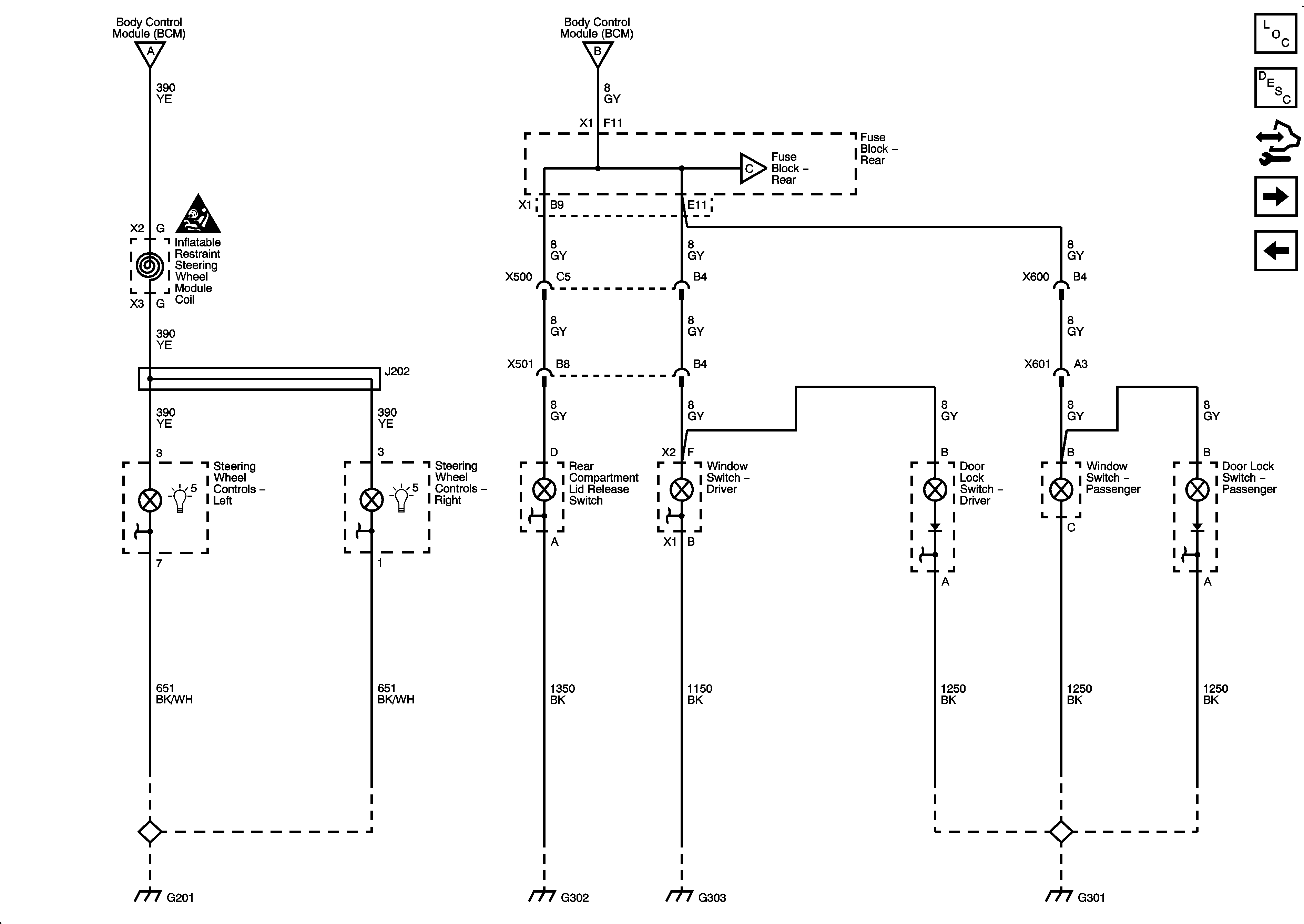
Figure 3:

Center Console and Seats


Object Number: 1898627  Size: FS
Master Electrical Component List
Interior Lighting Systems Description and Operation
Control Module References
Switches